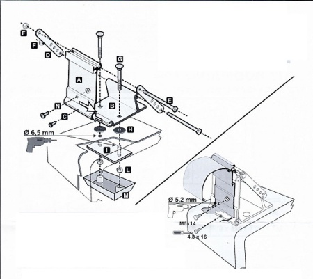
Адаптер предназначен для настенных маркиз MobileComfort с электрическим приводом, и позволяет устанавливать их на крыше транспортного средства.
Обратите внимание, что при расчете количества накрышных адаптеров для одной маркизы необходимо исходить из количества плоских адаптеров, которые есть у неё уже в комплекте или больше при необходимости. Список представлен ниже.
Маркиза MobileComfort ME250BD 2.5 м настенная электрическая, корпус черный, полотно серое(нужно три крепления)
Маркиза MobileComfort ME250WG 2.5 м настенная электрическая, корпус белый, полотно светло-серое (нужно три крепления)
Маркиза MobileComfort ME300BD 3,0 м настенная электрическая, корпус чёрный, полотно серое (нужно три крепления)
Маркиза MobileComfort ME300WG 3,0 м настенная электрическая, корпус белый, полотно светло-серое (нужно три крепления)
Маркиза MobileComfort ME350BD 3.5 м настенная электрическая, корпус чёрный, полотно серое (нужно четыре крепления)
Маркиза MobileComfort ME350WG 3.5 м настенная электрическая, корпус белый, полотно светло-серое (нужно четыре крепления)
Маркиза MobileComfort ME400WG 4.0 м настенная электрическая, корпус белый, полотно светло-серое (нужно четыре крепления)
Маркиза MobileComfort ME400BD 4.0 м настенная электрическая, корпус чёрный, полотно темно-серое (нужно четыре крепления)
ВАЖНО: адаптер НЕ ПОДХОДИТ для маркиз с механическим приводом серии M (высота стандартного крепления у них меньше - в сравнении на фото в галереи )
Адаптер поставляется в заводской упаковке в разобранном виде, со всеми необходимыми винтами и ключом для сборки в комплекте.
В коробке 1 адаптер, габариты коробки 10*12*20 см, вес 0,5 кг.
Для более детальной консультации обращайтесь по телефону, указанному на сайте.
Для физических лиц:
- Наличные (Курьеру при получении / При самовывозе из наших магазинов / В пунктах самовывоза СДЭК)
- Картой (Курьеру при получении / При самовывозе из наших пунктов / В пунктах выдачи СДЭК в крупных населенных пунктах)
![]()
- Оплата онлайн. Для онлайн оплаты на нашем сайте мы предлагаем множество вариантов благодаря сервису YOOKassa (Сервис Яндекса).
- Банковский перевод. Оплата по выставленному счету с указанием реквизитов и назначения платежа.
Для юридических лиц:
Пришлите запрос на почту b2b@on-tek.ru или оформите заказ через корзину в комментарии укажите что вам нужен счет. Мы свяжемся с вами для выставления счета / подписания договора поставки или чтобы обсудить ваши условия сотрудничества с нами.
При необходимости обращайтесь за помощью к нашим менеджерам по телефону.
ДОСТАВКА ПО МОСКВЕ
- При заказе от 30 000 Р - бесплатно
- При заказе менее 30 000 Р - 500 Р
ДОСТАВКА ПО МОСКОВСКОЙ ОБЛАСТИ
- До пункта выдачи СДЭК от 30 000 Р бесплатно
- Доставка СДЭК до двери от 30 000 Р бесплатно, менее 30 000 - по тарифу курьерской службы
ДОСТАВКА ПО ВСЕЙ РОССИИ
- Доставим до пункта самовывоза СДЭК от 30 000 бесплатно, где вы сможете осмотреть товар и оплатить его картой или наличными.
- При предоплате возможна отправка транспортными компаниями ПЭК, Деловые линии, Байкал сервис (и другими, по предварительной договоренности)
ДОСТАВКА В ДЕНЬ ЗАКАЗА
Доставка в день заказа возможна при получении заказа до 12:00 и при наличии свободных курьеров. Если Вам необходима срочная доставка пожалуйста укажите это в комментарии к заказу, наши менеджеры постараются помочь. Срочная доставка возможна только по предоплате. Тариф зависит от выбраного товара (Вес/Габариты)
КАК ДОСТАВЯТ:
Доставка осуществляется в будние и выходные дни с 9:00 до 21:00 (доставка в выходные дни осуществляется для заказов оформленных до пятницы)
ИНФОРМИРОВАНИЕ О ЗАКАЗЕ:
Вам придет уведомление по SMS и/или на e-mail об отправке посылки. Курьер звонит за 40-60 минут до доставки.
КАК МОЖНО ВЕРНУТЬ:
Сообщите нам, что хотите вернуть товар. Мы организуем забор товара, либо привезите его к нам на склад по адресу ул. Деловая дом 11 корпус 1. Забор товара по причинам не зависящих от технических данных и не являющихся гарантийными случаями является платным. С возвращаемой стоимости будет удержана сумма затраченная на забор товара.
КАК ПОЛУЧИТЬ ЧЕК:
При полном выкупе товара курьер всегда выбивает кассовый чек. Вы всегда можете оплатить товар курьеру картой, пожалуйста, уточните службе доставки про терминал эквайринга заранее.
При частичном выкупе товара - выдача чека курьером службы доставки не всегда возможна и зависит от службы доставки. Если Вы отказались при получении от части товара, чек Вы всегда можете получить на следующий день после доставки заказа, либо при получении товара, если позволяется сервис службы доставки.
ДЛЯ ЮРИДИЧЕСКИХ ЛИЦ
ДОСТАВКА ПО МОСКВЕ И МО
Для юридических лиц мы организуем доставку своими курьерами имеющими право подписывать закрывающие документы. Доставка обговаривается заранее.
Доставка до терминала бесплатно. Далее по тарифу ТК
